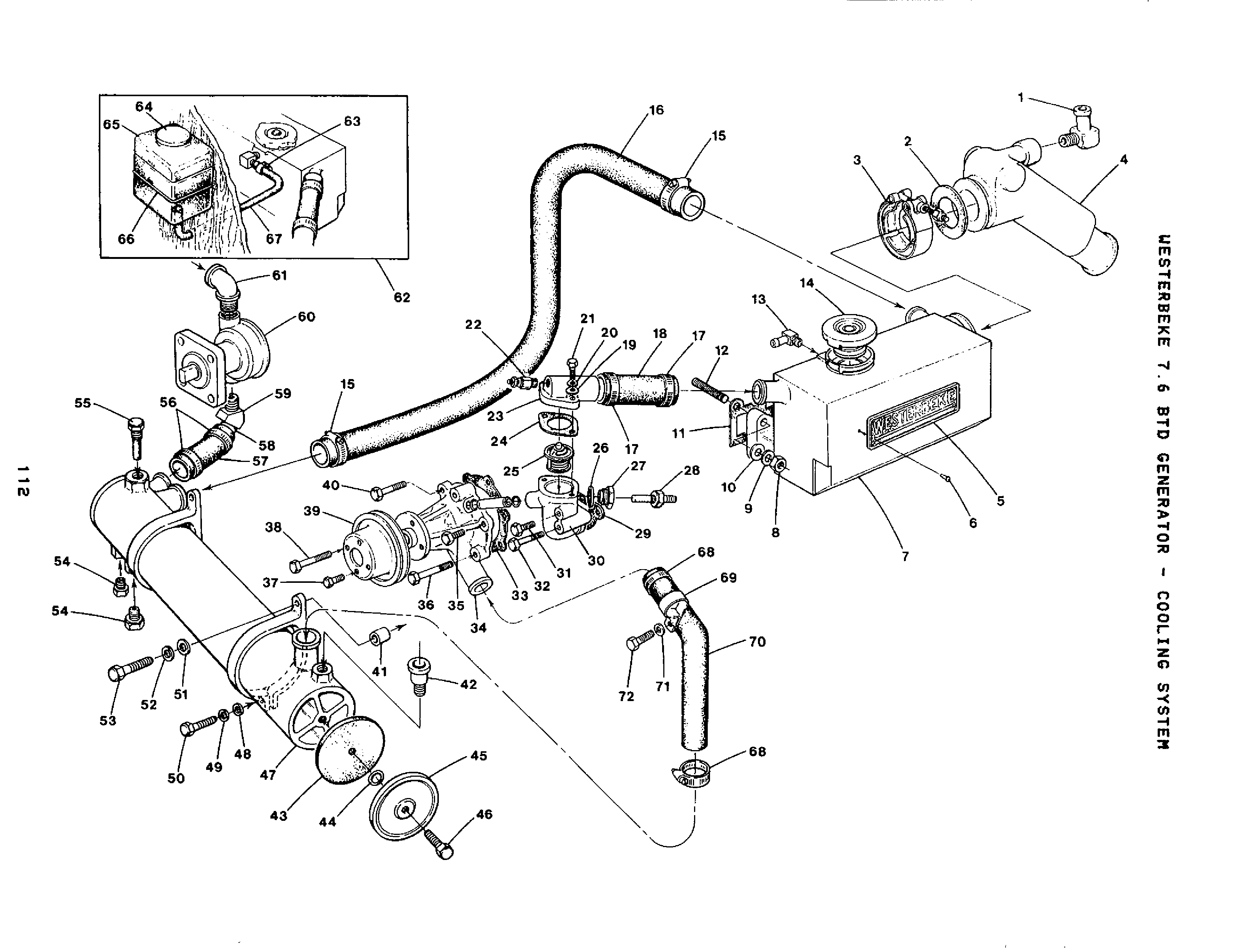
Click the (+) and (-) buttons to zoom in and zoom out
Click on the name of any part to see details and important notes
Sold By: EA
This part is replaced with part number 037402
Please contact Westerbeke to obtain this part. Serial numbers of your engine or genset required.
This washer fits M-25XPB, M-35B, & M-40B engines manufactured March 1998 and after
This washer fits M-25XPB, M-35B, & M-40B engines manufactured before March 1998.
This part is replaced with part number 037431. Before you order this part please read these two documents: Parts Bulletin 2004-1 and Pump Details
Sold By: KT
This tank DOES NOT include CAP part number 024858. Please order CAP 024858 separately.
This part is no longer available. Use part number 056526. ATTENTION - IMPORTANT: This tubing is sold by the INCH. The MINIMUM length sold is 4 INCHES. Please be sure to order the correct number of INCHES you require (minimum 4").
Sold By: IN
The part has successfully been added to your cart.
Adding the part to your cart.
There was an error adding to cart.