Click the (+) and (-) buttons to zoom in and zoom out
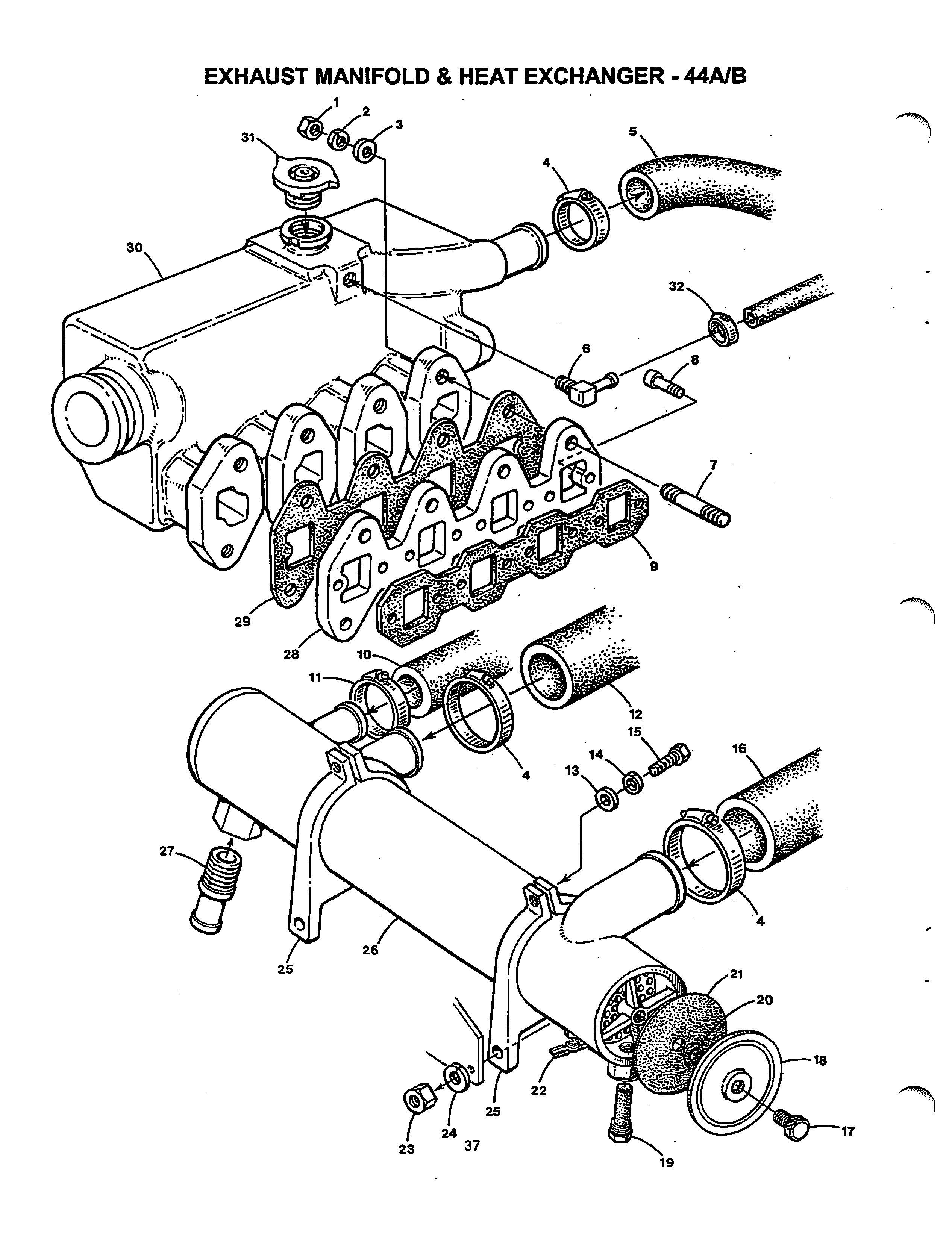
Click on the name of any part to see details and important notes
Sold By: EA
This washer fits M-25XPB, M-35B, & M-40B engines manufactured March 1998 and after
The part has successfully been added to your cart.
Adding the part to your cart.
There was an error adding to cart.